咨询电话:159-2126-5952
联系我们/ CONTACT US
全国免费客服电话 159-2126-5952
上海梁工阀门制造有限公司

邮箱:82447122@qq.com

手机:159-2126-5952

电话:159-2126-5952

地址:上海市松江区新浜镇许村路1548号

您的位置:首页 >> 产品中心 >> 止回阀

止回阀

助关缓冲止回阀

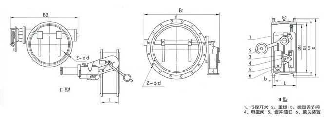
助关缓冲止回阀H147H、H247H、H347H助关缓冲止回阀适用于高温液体或气体管路.安装在泵或风机的出口处 它具有快速截断管路介质防止介质逆流和保护泵或风机不受损坏。该止回阀主要由阀体、阀杆、阀瓣、液压缓冲装置、气动执行装置、传动机构、减压装置、电磁换···

立即咨询立即咨询

咨询电话 :159-2126-5952

手机:131-2222-9634邮箱:82447122@qq.com

产品详情

zhihuif2-11.jpg


主要技术参数


型 号147H、H247H、H347H
公称压力(MPa)1.01.62.5
试验压力 (MPa)壳体1.52.43.75
密封1.11.752.75
工作温度(℃)<350
适用介质水、水蒸汽、含微量粉尘的空气
电磁换向阀电源AC220V
助关装置工作压力(MPa)0.2-0.4
关闭时间3-30秒内任意调节


主要零件材料


零件名称材 料
阀 体铸铁、碳钢板圈型
蝶 板碳 钢
阀 瓣不锈钢
密封面合金不锈钢
缓冲装置、助关装置不锈钢

主要外形尺寸

(法兰连接尺寸接JB,T78—94标准)


DN(mm)LB1B2H
300270650740690
350290710800780
400310770870860
450330830920910
5003509001000980
600390109012501070
700430120013601220
800470132014801320
900510142015801430
1000550155017001550
1200630178019501800
1400710200021751980
1600790225024702150
1800870245026502350
2000950270028502550

相关推荐

在线客服
服务热线

服务热线

159-2126-5952

微信咨询
助关缓冲止回阀-止回阀-上海梁工阀门制造有限公司-
返回顶部
X助关缓冲止回阀-止回阀-上海梁工阀门制造有限公司-

截屏,微信识别二维码

微信号:15921265952

(点击微信号复制,添加好友)

  打开微信

微信号已复制,请打开微信添加咨询详情!